Miele APCL 048 - Instrucciones
Manual de uso Miele APCL 048
























































































































































Resumen
es - Su contribución a la protección del medio ambiente 54 Eliminación del embalaje de transporte El embalaje evita que se produzcan daños en la Connector-Box du-rante el transporte. Los materiales del embalaje se han seleccionadosiguiendo criterios ecológicos y en función de su posterior tratamien-...
es - Advertencias e indicaciones de seguridad 55 Esta Connector-Box cumple todas las normas de seguridad vigen-tes. El manejo indebido puede causar daños materiales y provocarlesiones personales y daños materiales. Lea en primer lugar las instrucciones de manejo y montaje de laConnector-Box. Estas l...
es - Descripción del funcionamiento 57 Funcionamiento Con la Connector-Box se puede conectar el hardware externo deMiele y de otros fabricantes a la máquina Miele Professional. El hard-ware externo pueden ser, p. ej. los sistemas de pago, sistemas dedosificación, sensores de presión, tapas externas ...
es - Instalación 60 Corriente máxima de las entradas y salidas En la instalación deberá tenerse en cuenta que el consumo de co-rriente de los componentes adicionales que va a conectar no so-brepase las frecuencias simples admitidas y el consumo total decorriente en el conductor neutro. Durante la in...
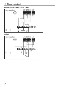
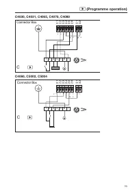
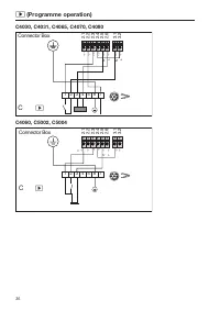
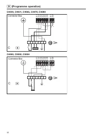
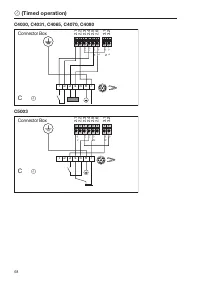
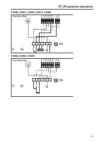
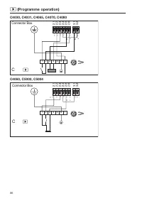
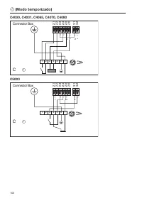
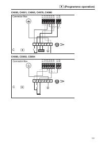
es - Instalación 62 Tabla de función y corriente máxima codificación 1 Apl icación Asignación de la fijación Señal Dirección de la señal Corrien te máxima Descripción de la función Conduct or de tierr a PE PE Conductor de tierra PE PE Conductor de tierra PE PE Conductor de tierra PE PE C...
es - Instalación 64 Tabla de función y corriente máxima codificación 2 Apl icación Asignación de la fijación Señal Dirección de la señal Corrien te máxima Descripción de la función Conduct or de tierr a PE PE Conductor de tierra PE PE PE PE PE PE WGR 1.1 L' 1,0 A Bomba de WRG ON 1.2 N...
es - Conexión eléctrica *INSTALLATION* 66 Conexión eléctrica La Connector-Box se abastece de la tensión de red por medio de lamáquina Miele Professional. La Connector-Box no cuenta con ningún interruptor adicional Cone- xión/Desconexión . Daños en la Connector-Box por una conexión incorrecta. La C...
Other Miele Otros Manuals
-
Miele APWM 063 Manual de instalación
-
Miele UO 811-30 Manual de instalación
-
Miele UO 413-30 Manual de instalación
-
Miele UO 814-25 Manual de instalación
-
Miele UO 818/418-25 Manual de instalación
-
Miele APWM 020 Manual de uso
-
Miele APWM 020 Manual de instalación
-
Miele SC Manual de instalación
-
Miele PR Manual de instalación
-
Miele FP 900 Manual de instalación
-
Miele RP 900 Manual de instalación
-
Miele APWM 019 Manual de uso
-
Miele APWM 019 Manual de instalación
-
Miele PR 900 Manual de instalación
-
Miele A 830/1 Manual de uso
-
Miele TT 86 Manual de uso
-
Miele RP 1150 Manual de instalación
-
Miele UG 5010 Manual de instalación
-
Miele UO 5010 Manual de instalación
-
Miele APCL 001 Manual de instalación