Miele PWM 514 Self-Service [EL DV] - Instrucciones

Miele PWM 514 Self-Service [EL DV] - Manual de uso, Manual, Manual de instalación, Guía rápida en formato PDF en línea
Instrucciones:
Manual de uso Miele PWM 514 Self-Service [EL DV]


































































Resumen
Su contribución a la protección del medio ambiente 2 Eliminación del embalaje de transporte El embalaje evita que se produzcan daños en la lavadora durante eltransporte. Los materiales del embalaje se han seleccionado siguien-do criterios ecológicos y en función de su posterior tratamiento enplantas...
Contenido 3 Su contribución a la protección del medio ambiente .................................................. 2 Advertencias e indicaciones de seguridad ................................................................... 6 Aplicación adecuada ........................................................
Contenido 5 Manejo/indicación ............................................................................................................. 54 Idioma ........................................................................................................................... 54Acceso al idioma ..........
Advertencias e indicaciones de seguridad 6 Esta lavadora cumple todas las normas de seguridad vigentes. Noobstante, el manejo indebido del aparato puede provocar lesionespersonales y daños materiales. Lea las instrucciones de manejo con atención antes de poner enfuncionamiento la lavadora. Contienen...
Advertencias e indicaciones de seguridad 7 Aplicación adecuada Esta lavadora ha sido diseñada exclusivamente para lavar tejidos que hayan sido etiquetados por el fabricante como aptos para el la-vado a máquina. Cualquier otro tipo de utilización podría ser peligro-so. El fabricante no se hace resp...
Advertencias e indicaciones de seguridad 8 Uso erróneo previsible Nunca utilice productos de limpieza que contengan disolventes (p. ej., bencina) en la lavadora. Los componentes del aparato puedenresultar dañados y emitir vapores tóxicos. ¡Existe riesgo de incendio y de explosión! Cuando lave a ...
Advertencias e indicaciones de seguridad 9 Seguridad técnica Compruebe que la lavadora no presenta ningún tipo de daño en el exterior antes de su emplazamiento. Una lavadora dañada no se de-be emplazar ni poner en funcionamiento. La seguridad eléctrica de esta lavadora solo quedará garantizada s...
Advertencias e indicaciones de seguridad 11 Uso apropiado La capacidad de carga máxima es de 14 kg de ropa seca para la PW 514 y de 20 kg para la PW 520. En el capítulo «Relación de pro-gramas» encontrará las cantidades de carga reducidas para cadaprograma. Retire los seguros de transporte situa...
Advertencias e indicaciones de seguridad 13 El cloro y los daños en los componentes Con el uso cada vez mayor de cloro aumenta la probabilidad de dañar los componentes. El uso de productos que contienen cloro como, por ejemplo, el hi- poclorito sódico y lejías de cloro en polvo puede dañar la ca...
Advertencias e indicaciones de seguridad 14 Accesorios Los accesorios pueden acoplarse o montarse solo si están expre- samente autorizados por Miele. El montaje de piezas no autorizadasinvalidará todo derecho de garantía. Reciclaje de apa-ratos inservibles Inutilice el cierre de la puerta cuando...
Descripción de la máquina (con cajetín de detergente) 15 Variantes con cajetín de detergente (WEK) ⑪ ⑥ ⑦ ⑧ ⑨ ⑩ ⑫ ① ② ③ ④ ⑤ ⑧ ⑬ ⑮ ⑭ ⑯ ⑰ ⑱ a Display Véase el capítulo «Funcionamiento de loselementos de manejo» b Interruptor de parada de emergencia véase el capítulo «Funcionamiento de loselementos de m...
Descripción de la máquina (con cajetín de detergente) 16 Variantes de aparato sin cajetín de detergente (WEK) ① ② ③ ④ ⑤ ⑥ ⑦ ⑧ ⑨ ⑩⑪ ⑦ ⑫ ⑭ ⑬ ⑮ ⑯ ⑰ a Display Véase el capítulo «Funcionamiento de loselementos de manejo» b Interruptor de parada de emergencia véase el capítulo «Funcionamiento de loselemen...
Manejo 17 Panel de mandos a Tecla sensora Idioma Para seleccionar el idioma delusuario actual.Tras finalizar el programa se vi-sualiza de nuevo el idioma deusuario. b Tecla sensora Atrás Regresa al nivel anterior delmenú. c Display Touch d Tecla sensora Start/Stop Inicia el programa de lavad...
Manejo 18 Menú principal Tras conectar la lavadora, aparece el menú principal en el display. Desde el menú principal se accede a todos los submenús importan-tes. Pulsando la tecla sensora volverá al menú principal en cualquier momento. Los ajustes realizados anteriormente no se memorizan. 11:02 ...
Manejo 20 Menú desplegable En el menú desplegable es posible visualizar más información, p. ej.,sobre un programa de lavado. 11:02 2:27 Ropade color Estado T. restante h Lavado Añadir prendas Si aparece una barra naranja en la parte superior de la pantalla en elcentro del display, puede vis...
Manejo 21 Se ofrecen hasta 12 programas preestablecidos. Los primeros 3 pro-gramas se pueden seleccionar directamente. Los programas restan-tes se seleccionan a través de una lista de selección . Estos pro- gramas no pueden ser modificados por el usuario.
Preparación del lavado 22 Vaciar los bolsillos Vacíe todos los bolsillos. Daños producidos por objetos extraños. Los cuerpos extraños como clavos, monedas o clips pueden dañarlas prendas o la máquina.Revise las prendas antes de lavarlas y retire los posibles cuerposextraños. Capacidad de carga (...
Preparación del lavado 23 Cargar la lavadora Conecte la lavadora con la tecla . Abra la puerta tirando del tirador. Coloque la ropa desdoblada y suelta en el tambor. Las prendas dedistinto tamaño mejoran el resultado del lavado y se distribuyenmejor durante el centrifugado. En el caso de car...
Seleccionar un programa 24 Conectar la lavadora Pulse la tecla . Seleccionar un programa 11:02 Programas Favoritos Operario Ayuda Existen varias opciones para seleccionar un programa. Puede seleccionar un programa en el menú Programas . Pulse la tecla sensora Programas . 11:02 Ropa ...
Seleccionar los ajustes del programa 25 Seleccionar la carga En algunos programas se puede especificar la carga para permitiruna dosificación externa en función de la carga. Pulse la tecla sensora Peso . Introduzca un valor válido para la cantidad de carga. El display cambia al menú Vista gener...
Lavado con cajetín de detergente 26 Introducción de detergente a través del cajetín En el caso de los programas estándar se introduce detergente enpolvo para el lavado principal en la bandeja de admisión de deter-gente y, si se desea, detergente para el prelavado en la bandeja de admisión de de...
Lavado con cajetín de detergente 27 Blanqueadores Blanquee únicamente tejidos que estén marcados con el símbolo decuidados Δ . La adición de blanqueadores líquidos solo se puede llevar a cabo enuna bandeja de admisión específica para tal fin. Solo así se garantizaque el producto se incorpora correc...
Iniciar un programa – Fin del programa 29 Iniciar un programa La tecla sensora Start/Stop parpadea en cuanto es posible iniciar un programa. Pulse la tecla sensora Start/Stop . La puerta se bloquea (símbolo ) y comienza el programa de lavado. Si se ha seleccionado una Preselección de inicio, est...
Timer 30 El Timer le permite seleccionar el tiempo que queda hasta el inicio, lahora de inicio o el final del programa. Ajustar el timer Pulse la tecla sensora Timer . Seleccione la opción Fin a las , Inicio en o Inicio a las . Ajuste las horas y los minutos y confirme con la tecla OK . Mo...
Solución de pequeñas anomalías 31 Fallo de tensión durante el proceso de lavado Desconecte la máquina. Desconecte el interruptor (del lugar de la instalación). Cierre las válvulas de retención del lugar de la instalación para elagua o vapor. Para extraer la ropa en primer lugar se deberá cerra...
Solución de pequeñas anomalías 32 Gire el elemento de desbloqueo con hexágono interior con una lla-ve Torx T 40 dos vueltas completas en el sentido contrario a las agujas del reloj (hacia la izquierda) . Consejo: Presionando al mismo tiempo la puerta se facilita el giro del desbloqueo de emergenci...
Solución de pequeñas anomalías 33 Servicio Post-venta En caso de anomalía, diríjase al Servicio Post-venta de Miele. El Servicio Post-venta necesitará saber el modelo, número de serie(SN) y el número de material (nº de mat.). Encontrará estos datos enlas placas de características. Encontrará la plac...
¿Qué hacer si ...? 34 Ayuda en caso de anomalías La mayoría de las anomalías y fallos que se pueden producir durante el funcionamientocotidiano, los podrá solucionar usted mismo. En la mayoría de los casos podrá ahorrartiempo y costes sin necesidad de recurrir al Servicio Post-venta. Las siguientes ...
¿Qué hacer si ...? 35 Resultado de lavado insatisfactorio Problema Causa y solución La ropa no queda limpiacon detergente líquido. Los detergentes líquidos no contienen blanqueadores. Lasmanchas de fruta, café o té no se eliminan. Utilice detergente en polvo con blanqueadores. Introduzca quitama...
¿Qué hacer si ...? 36 Problemas generales con la lavadora Problema Causa y solución La lavadora se mueve du-rante el centrifugado. Las patas de la máquina no están niveladas a la misma al-tura y no han sido aseguradas. Nivele la lavadora de forma estable y asegure las patasdel aparato con contratu...
¿Qué hacer si ...? 37 Posibles causas del aumento de formación de espuma Problema Causa y solución Aumento de la formaciónde espuma durante el pro-ceso de lavado. No se está utilizando un tipo de detergente adecuado. Utilice detergente que sea apto para lavadoras industria-les. Los detergentes dom...
¿Qué hacer si ...? 38 Estiramiento de las prendas grandes de ropa Problema Causa y solución Estiramiento de las pren-das grandes de ropa du-rante el centrifugado Puede suceder que las prendas grandes de ropa se estirendurante el centrifugado. Esto se puede evitar en su mayor parte con un cambiode ...
Limpieza y mantenimiento 39 Realice la limpieza y mantenimiento de la máquina después de suuso si fuera posible. No deberán emplearse chorros de agua o dispositivos de alta pre-sión para limpiar la lavadora. Limpie la carcasa de la lavadora, el panel de mandos y las pie- zas de plástico únicamen...
Instalación 42 Emplazamiento de la lavadora Únicamente podrá emplazar y poner en marcha la lavadora el Ser-vicio Post-venta de Miele o un distribuidor autorizado. Respete lasindicaciones del esquema de instalación. Esta lavadora solo es apta para lavar ropa que no esté impregnadacon sustancias de tr...
Instalación 43 Simplificación del mantenimiento No se deberán sobrepasar las medidas mínimas ni la distancia a lapared con acceso a fin de facilitar al Servicio Post-venta los trabajosposteriores de mantenimiento. Mantenga las medidas mínimas indicadas y la distancia a la pared. Distancia mínima a...
Instalación 44 Seguro de transporte Retire los seguros de transporte Cada uno de los dos seguros de transporte delanteros está fijado contres tornillos hexagonales. El seguro de transporte trasero está fijadocon cuatro tornillos hexagonales. Los seguros de transporte debenretirarse en el lugar de em...
Instalación 45 Desenroscar los tornillos situados en el borde inferior de la paredposterior y retirar esta última. Suelte los tornillos hexagonales para desmontar los seguros detransporte. Conserve los seguros de transporte. Estos deberán volver a mon-tarse antes de transportar la máquina. Conex...
Instalación 47 Desagüe Desagüe AV de la máquina DN 70, manguito del lugar de instalación DN 70. Caudal a corto plazo 200 l/min.Si la pendiente de desagüe es demasiado inclinada, se deberá colo-car un tubo de ventilación para que no se pueda producir el vacío enel sistema de desagüe de la lavadora. ...
Extras 48 Puede complementar los programas con ayuda de los extras. No todos los extras pueden seleccionarse para cada programa de la-vado. Si no se muestra un extra, no está permitido para el programade lavado. Seleccionar extras Pulse la tecla sensora Extras . Seleccione uno o varios de los e...
Particularidades en el desarrollo del programa 50 Centrifugado Número de revo-luciones del cen-trifugado final Al seleccionar un programa, en el display se indica siempre el númeromáximo de revoluciones del centrifugado para el programa de lava-do. Es posible reducir el número de revoluciones del ce...
Modificar el desarrollo de un programa 51 Modificar programas Modificar un pro-grama de lavado Para seleccionar otro programa, antes deberá cancelar el programainiciado y seleccionar el nuevo programa. Cancelar programa Puede cancelar en todo momento un programa de lavado una vez sehaya iniciado. ...
Nivel de usuario 53 Acceder al nivel de usuario Conecte la lavadora. 11:02 Programas Favoritos Operario Ayuda Pulse la tecla sensora Operario . El display cambia al menú Niveles de manejo . Acceso mediante código Para acceder al nivel de usuario es necesario un código. El código es 0...
Nivel de usuario 54 Manejo/indicación Idioma El display puede mostrar diferentes idiomas. Puede seleccionar el idioma de usuario es-tablecido a través del submenú Idioma. El idioma de operador para un programa en curso se puede cambiar a través de la teclasensora . Acceso al idioma El display pued...
Nivel de usuario 55 Hora Una vez seleccionado el formato de hora, es posible ajustar la hora. Formato de hora - Reloj de 24 h - Reloj de 12 h - Sin hora Ajustar - Se puede ajustar la hora. Fecha Una vez seleccionado el formato de fecha, es posible ajustar la fecha. Formato de fecha - DD.MM.AAAA - AA...
Nivel de usuario 56 Est. Máquina desconectada Para ahorrar energía, la lavadora se desconecta automáticamente una vez finalizado elprograma o si no se realiza ninguna operación. Esto puede modificarse. La modificación de este ajuste produce un mayor consumo de energía. - Sin desconexión - Desconexió...
Nivel de usuario 57 Selección de programa Manejo Puede ajustar la lavadora para que funcione como «Variante de lavandería». El manejosimplificado se realiza a través de la selección directa. Los usuarios no pueden modificarlos programas preestablecidos. Consejo: Consejo: Realice todos los ajustes y ...
Nivel de usuario 58 Paquete de programas La selección de programas se puede ampliar activando programas individuales de los pa-quetes de programas para grupos de destinatarios. Los programas seleccionados (marcados en naranja) de los paquetes de programas semuestran en el display durante la selecció...
Nivel de usuario 59 Técnica de procesos Protección antiarrugas La protección antiarrugas reduce la formación de arrugas después de finalizar el progra-ma. El tambor sigue en movimiento hasta 30 minutos después de finalizar el programa. La puerta de la lavadora se puede abrir en cualquier momento. Aj...
Nivel de usuario 60 Entrada de agua Prelavado Es posible seleccionar el tipo de agua para el prelavado. - Fría En el prelavado solo se utiliza agua fría. - Caliente En el prelavado también se utiliza agua caliente.La entrada de agua caliente solo está permitida si se ha seleccionado una temperaturas...
Datos técnicos 61 Datos del aparato PWM 514 Conexión eléctrica Tensión nominal ver placa de características Frecuencia ver placa de características Consumo de potencia ver placa de características Consumo de corriente ver placa de características Fusible necesario ver placa de características Potenc...
Datos técnicos 62 Datos del aparato PWM 520 Conexión eléctrica Tensión nominal ver placa de características Frecuencia ver placa de características Consumo de potencia ver placa de características Consumo de corriente ver placa de características Fusible necesario ver placa de características Potenc...
Datos técnicos 63 Declaración de conformidad de la UE Por la presente, Miele declara que esta lavadora cumple con los requisitos de la directivaeuropea 2014/53/EU.En el siguiente link encontrará el texto completo de la declaración de conformidad euro-pea: - En www.miele.de/professional/index.htm en ...
Protección de datos de la WiFi 64 Protección de datos y seguridad de los datos En cuanto se activa la función de conexión en red y su aparato se haconectado a Internet, este envía los siguientes datos a la nube deMiele: - Número de fabricación del aparato - Modelo de aparato y equipamiento técnico -...
Manual Miele PWM 514 Self-Service [EL DV]
















































































































































































































































































































































































































































































































































Resumen
es - Gama de programas de las variantes de aparatos 146 Grupo de programas Nombre del programa Estándar MopStar Auto servicio Opcional Paquetes de progra- mas (puede adquirirse adi- cionalmente) Estándar Ropa blanca • - • - Estándar Ropa de color • • - - Estándar Ropa de color inte...
es - Relación de programas 149 Extras seleccionables Extra Símbolo Descripción Preaclarado Preaclarado antes de que comience el proceso de lavado Prelavado Prelavado antes de iniciarse el lavado principal Poner en remojo Bloque al comienzo del lavado principal, 30 °C, con poco movi-miento Agua...
es - Relación de programas 150 Programas básicos de la relación de programas El tiempo de lavado es el tiempo en el lavado principal que se lava al menos una vez des- pués de que se haya alcanzado la temperatura objetivo. Aquí no se registran los tiemposde entrada de agua, dosificación, calentamient...
es - Relación de programas 151 Programas Ropa de color Ropa de color 60 °C (frío hasta 60 °C) Proporción de llena-do/capacidad decarga Tipo de tejido Prendas de algodón, lino o tejidos mixtos con sucie-dad normal, p. ej. ropa de cama o toallas 1:9 PWM 514 – 14 kg PWM 520 – 20 kg Desarrollo del pro-g...
es - Relación de programas 154 Programa Aclarado extra Aclarado extra Capacidad de carga/cantidad Tipo de tejido Prendas que solo se deben aclarar y centrifugar 1:9 PWM 514 – 14 kg PWM 520 – 20 kg Desarrollo del pro-grama 1 lavadoCentrifugado final Extras Stop llenado, Stop aclarados Programa Centri...
es - Relación de programas 155 Programa Limpiar máquina Limpiar máquina 70 °C (de 70 °C a 90 °C) Tipo de tejido Sin carga Desarrollo del pro-grama + tecla Intensivo: lavado principal adicional hasta 90 °C, tiempo de lavado 6 min2 aclaradosDesagüe Extras Remojo, Agua plus, Intensivo, Aclarado plus...
es - Relación de programas 156 Relación de programas Hoteles/Restaurantes/Catering Este ámbito comprende una gran variedad de tejidos con diferentes grados de suciedad.Este programa está indicado para lavar ropa de cama y toallas de mano con poca suciedad,mantelerías más sucias o hasta ropa de cocin...
es - Relación de programas 157 Programa Cubrecolchones Cubrecolchones 60 °C (frío hasta 90 °C) Proporción de llena-do/capacidad decarga Tipo de tejido Cubrecolchones impermeables de tejidos sintéticos 1:13 PWM 514 – 10 kg PWM 520 – 13,8 kg Desarrollo del pro-grama Lavado principal hasta 90 °C, tiemp...
es - Relación de programas 158 Programa Paños de cocina Paños de cocina 90 °C (frío hasta 90 °C) Capacidad de carga/cantidad Tipo de tejido Ropa de cocina de algodón, lino o tejidos mezclados 1:13 PWM 514 – 10 kg PWM 520 – 13,8 kg Desarrollo del pro-grama PreaclaradoLavado principal hasta 90 °C, tie...
es - Relación de programas 159 Relación de programas Edredones/Cortinas Programas Cortinas Cortinas 40 °C (frío hasta 60 °C) Proporción de llena-do/capacidad decarga Tipo de tejido Fibras sintéticas, seda artificial 1:25 PWM 514 – 5,2 kg PWM 520 – 7,2 kg Desarrollo del pro-grama Lavado principal has...
es - Relación de programas 160 Programas Edredones Estos programas están indicados para lavar edredones y fundas con relleno sintético, deplumas o de pelo natural. Estos programas de lavados han sido ideados exclusivamente para lavar prendas que ha-yan sido etiquetadas por el fabricante como aptas p...
es - Relación de programas 161 Capacidades de carga para edredones Las cantidades máximas de carga pueden consultarse en la siguiente tabla. Se trata de va-lores aproximados que pueden variar dependiendo del tamaño y del grosor de los edredo-nes. Modelo Cantidad* PWM 514 3 almohadas o 1 almohada y +...
es - Relación de programas 162 Información general sobre la desinfección ¿Qué significa «desinfección»? Eliminación y reducción del número de gérmenes que transmiten enfermedades de maneraque no quepa esperar un contagio o infección. Desinfección térmica La desinfección térmica se lleva a cabo aplic...
es - Relación de programas 163 Lista de la VAH VAH = Unión de Higiene Aplicada (Verbund für angewandte Hygiene), organización regis-trada (antiguamente DGHM = Sociedad Alemana de Higiene y Microbiología, Deutsche Ge-sellschaft für Hygiene und Mikrobiologie). En la lista de la VAH se describen los pr...
es - Relación de programas 164 Conexión de agua para variantes con calefacción externa (EH) El aparato debe estar conectado al agua fría y caliente. Se recomienda una temperatura delagua caliente de al menos 80 °C. Por lo general, no es posible utilizar programas de desin-fección debido a la falta d...
es - Relación de programas 165 Relación de programas Desinfección Desinfección térmica y Desinfección termoquímica son programas para la desinfección de tejidos.Se realiza una desinfección térmica o termoquímica. Deben utilizarse detergentes adecua-dos para la desinfección termoquímica. Todos los pr...
es - Relación de programas 166 Des. termoq. Del. 20 min 40 °C Capacidad de carga/cantidad Tipo de tejido Algodón, tejidos mixtos, cortinas 1:10 PWM 514 – 13 kg PWM 520 – 18 kg Desarrollo del pro-grama Desinfección 40 °C, tiempo de mantenimiento20 minRitmo de lavado «delicado»3 aclarados (opcional ac...
es - Relación de programas 167 Relación de programas Limpieza de edificios Este programa está indicado para lavar, desinfectar e impregnar (en diferentes grados dehumedad) fundas de fregado de algodón o tejidos mixtos, felpudos, discos de pulido o ba-yetas empleados por empresas de servicios de limp...
es - Relación de programas 168 Programa Mopas Para evitar suciedad intensa en la máquina, sacuda las mopas antes de introducirlas en lamáquina. Mopas estándar 60 °C (frío hasta 90 °C) Capacidad de carga/cantidad Tipo de tejido Fundas para mopas de algodón, viscosa, poliéster, mi-crofibras 1:9 PWM ...
es - Relación de programas 169 Mopas desinf. térmica 90 °C Capacidad de carga/cantidad Tipo de tejido Fundas para mopas de algodón, viscosa, poliéster, mi-crofibras 1:9 PWM 514 – 14 kg PWM 520 – 20 kg Número de unidades Ver la tabla «Capacidad de car- ga de mopas» Desarrollo del pro-grama Centrifuga...
es - Relación de programas 170 Des. termoq. Mopas 10 min 70 °C Capacidad de carga/cantidad Tipo de tejido Fundas para mopas de algodón, viscosa, poliéster, mi-crofibras 1:10 PWM 514 – 13 kg PWM 520 – 18 kg Desarrollo del pro-grama Centrifugado previoCiclo de preaclarado2do ciclo de preaclarado, sele...
es - Relación de programas 171 Des. tq. mop. 20 min+ rtu 60 °C Capacidad de carga/cantidad Tipo de tejido Fundas para mopas de algodón, viscosa, poliéster, mi-crofibras 1:10 PWM 514 – 13 kg PWM 520 – 18 kg Desarrollo del pro-grama Desarrollo del programa como Desinfección termoquí-mica Desinfección*...
es - Relación de programas 172 El programa Mopas rtu es apto para el impregnado posterior de mopas secas y limpias. Para el impregnado se añade una solución desinfectante.Las cantidades de dosificación deben ajustarse in situ y se debe comprobar que se cum-plen las normas de desinfección. La capacid...
es - Relación de programas 173 Programas Colchonetas/Discos Colchonetas 40 °C (frío hasta 60 °C) Capacidad de carga/cantidad Tipo de tejido Felpudos 1:15 PWM 514 – 8,8 kg PWM 520 – 12 kg Desarrollo del pro-grama PreaclaradoLavado principal hasta 60 °C, tiempo de lavado 8 min3 aclaradosCentrifugado f...
es - Relación de programas 174 Programa Paños Este programa está indicado para lavar, desinfectar e impregnar (en diferentes grados dehumedad) bayetas de algodón, tejidos mixtos o microfibras empleadas por empresas deservicios de limpieza. Paños estándar 60 °C (frío hasta 90 °C) Capacidad de carga/c...
es - Relación de programas 175 Paños Desinf. térmica 90 °C Capacidad de carga/cantidad Tipo de tejido Paños de limpieza de algodón, viscosas, poliéster, mi-crofibra 1:18 PWM 514 – 7 kg PWM 520 – 10 kg Número de unidades Ver la tabla «Capacidad de car- ga de paños» Desarrollo del pro-grama Preaclarad...
es - Relación de programas 177 Paños rtu Capacidad de carga/cantidad Tipo de tejido Paños de limpieza de algodón, viscosas, poliéster, mi-crofibra 1:18 PWM 514 – 7 kg PWM 520 – 10 kg Número de unidades Ver la tabla «Capacidad de car- ga de paños» Desarrollo del pro-grama 1 aclaradoluego ajustar la h...
es - Relación de programas 178 Relación de programas Bomberos Estos programas están indicados para lavar e impregnar trajes de bomberos Nomex, cha-quetas, pantalones, mascarillas y trajes de protección química. Programa Trajes de protección Ropa protección 60 °C (frío hasta 60 °C) Capacidad de carga...
es - Relación de programas 179 Ropa protección para preparar la ropa No coloque etiquetas en la ropa sucia. En la medida de lo posible, retire los mosquetones o introdúzcalos en un bolsillo lateral yciérrelo. Cierre los velcros o cúbralos con una banda de velcro. Lave el relleno de lana virg...
es - Relación de programas 180 Programas Mascarillas Mascarillas comprende programas pensado para el lavado y la desinfección de mascari- llas respiratorias con goma de ajuste. A fin de proteger los visores, gire las cintas de las máscaras antes de introducirlas en lamáquina. Introduzca cada una...
es - Relación de programas 181 CSA es un programa pensado para el lavado de trajes de protección química de bombe- ros.Para ello se lleva a cabo una desinfección termoquímica (60 °C/20 min) para la que hayque utilizar un detergente adecuado. CSA 60 °C Capacidad de carga/cantidad Tipo de tejido Traje...
es - Relación de programas 182 Cascos * 60 °C (frío hasta 60 °C) Proporción de llena-do/capacidad decarga Tipo de tejido Cascos de protección de bombero PWM 514 – 4 cascos PWM 520 – 5 cascos Desarrollo del pro-grama Prelavado hasta 40 °CLavado principal hasta 60 °C, tiempo de lavado 16 mi-nutos3 ac...
es - Relación de programas 183 Las bolsas protectoras se pueden adquirir a través del Servicio Post-venta de Miele. Después del lavado, los acopladores se secan al aire. Los componentes de cuero se mue-ven a mano antes de que se sequen y, si es necesario, se tratan con un agente reengrasan-te de cue...
es - Relación de programas 185 Relación de programas Outdoor Outdoor 40 °C (frío hasta 40 °C) Capacidad de carga/cantidad Tipo de tejido Poliamida y artículos con membrana 1:15 PWM 514 – 8,8 kg PWM 520 – 12 kg Desarrollo del pro-grama Lavado principal hasta 40 °C, tiempo de lavado 6 min2 aclaradosCe...
es - Relación de programas 186 Relación de programas Deporte Ropa de deporte 40 °C (frío hasta 60 °C) Capacidad de carga/cantidad Tipo de tejido Mallas y pantalones de fibra sintética o tejidos mixtos 1:20 PWM 514 – 6,6 kg PWM 520 – 9 kg Desarrollo del pro-grama Lavado principal hasta 60 °C, tiempo ...
es - Relación de programas 187 Relación de programas Ropa de trabajo Aceite/grasa 60 °C (frío hasta 90 °C) Capacidad de carga/cantidad Tipo de tejido Ropa de trabajo, toallas y paños de limpieza de algo-dón o tejidos mixtos sucios de aceite o grasa 1:10 PWM 514 – 13 kg PWM 520 – 18 kg Desarrollo del...
es - Relación de programas 188 Relación de programas Fecales (Laundry Regulation HTM 01–04) Los programas Fecales están pensados para ropa interior, así como ropa de cama y toallascon elevado grado de suciedad. La desinfección se realiza siguiendo las indicaciones del National Health Service (ReinoU...
es - Relación de programas 189 Relación de programas Self Service Ropa de color 60 °C (frío hasta 60 °C) Capacidad de carga/cantidad Tipo de tejido Prendas de algodón, lino o tejidos mixtos con sucie-dad normal, p. ej., ropa de cama o toallas 1:9 PWM 514 – 14 kg PWM 520 – 20 kg Desarrollo del pro-gr...
Manual de instalación Miele PWM 514 Self-Service [EL DV]

































































































































Resumen
es - Indicaciones para la instalación *INSTALLATION* 65 Explicación de las indicaciones de advertencia y seguridad si-tuadas en la máquina Leer las instrucciones de manejo Leer las instrucciones, p. ej., las instrucciones de ins-talación Precaución, superficies calientes Precaución, tensión de hasta...
es - Indicaciones para la instalación *INSTALLATION* 66 Emplazamiento Transporte la lavadora con una carretilla elevadora hasta el lugar deemplazamiento y retire el embalaje de transporte. La lavadora debe colocarse sobre una superficie totalmente lisa y hori-zontal que soporte como mínimo la carga ...
es - Indicaciones para la instalación *INSTALLATION* 67 Para garantizar un funcionamiento óptimo y eficiente, la lavadora de-be apoyarse correctamente y de forma horizontal sobre las cuatrobases de apoyo. En caso contrario, aumenta el consumo de agua yenergía y la lavadora podría desplazarse. Una ...
es - Indicaciones para la instalación *INSTALLATION* 68 Una conmutación de tensión debe realizarla exclusivamente el Ser- vicio Post-venta de Miele o un distribuidor autorizado. Al hacerlo, hayque tener en cuenta la instrucción de cambio de cableado del planode conexiones. La lavadora puede conect...
es - Indicaciones para la instalación *INSTALLATION* 69 Para la conexión de agua en principio solo deben utilizarse las man-gueras de entrada suministradas. Las uniones con tornillos están sometidas a la presión de las tu- berías.Abra lentamente los grifos para comprobar si las conexiones sonestan...
es - Indicaciones para la instalación *INSTALLATION* 71 La cuba que se desagua puede presentar una temperatura de hasta 95 °C. ¡Peligro de quemaduras!Evite el contacto directo. Conexión de aguapara variantes conpotencia calefac-tora reducida (RH) El aparato debe estar conectado al agua fría y cali...
es - Indicaciones para la instalación *INSTALLATION* 72 Tenga en cuenta que solo se puede taladrar la primera pared ( I ), da- do que 10 mm por detrás de la primera pared ya se encuentra unapared deflectora ( II ). Las conexiones 3 a 12 están previstas para los detergentes líquidos. A estas conexio...
es - Indicaciones para la instalación *INSTALLATION* 73 Extras/accesorios especiales Los accesorios solo se pueden ampliar o montar con la autorizaciónexpresa de Miele.Si se utilizan o instalan otros componentes no autorizados se pier-den los derechos de garantía y/o responsabilidad sobre el product...
es - Indicaciones para la instalación *INSTALLATION* 74 Interfaz WiFi/LAN La lavadora está equipada con una interfaz WiFi/LAN para el inter-cambio de datos. La interfaz de datos proporcionada en la conexión LAN cumple con lanorma SELV (tensión extrabaja) según la norma EN 60950. La cone-xión LAN se ...
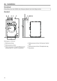
es - Instalación 75 Estándar Medidas en milímetros a Conexión eléctrica b Conexión a agua fría c Conexión a agua caliente/conexión a aguamuy caliente (en variantes EH y RH) d Conexión a agua fría para agua dura (op-cional) e Conexión a agua fría para dosificación dedetergente líquido l Tubo de desag...
es - Instalación 77 Zócalo Medidas en milímetros a Conexión eléctrica b Conexión a agua fría c Conexión a agua caliente/conexión a aguamuy caliente (en variantes EH y RH) d Conexión a agua fría agua dura (opcional) e Conexión a agua fría para dosificación dedetergente líquido l Tubo de desagüe
es - Datos técnicos 82 Variantes de tensión y datos eléctricos 3N AC 400 V EL DV Tensión nominal 3N AC 400 V Frecuencia 50/60 Hz Fusible necesario (en el lugar de montaje) Característica de activación del interruptor de potencia 16 A Modelo B Consumo de potencia 9,6 kW Sección mínima del cable de co...
es - Datos técnicos 83 Conexión de agua Conexión a agua fría Presión de flujo necesaria 100 - 1000 kPa (1 - 10 bar) Caudal máximo 31,5 l/min Racor de conexión necesario (rosca exterior, en el lugar de instalación, según DIN 44991, ais-lante plano) 3 x 3/4" Longitud de la manguera de entrada de a...
es - Datos técnicos 84 Medidas de emplazamiento Ancho de la carcasa (sin piezas adosadas) 795 mm Alto de la carcasa (sin piezas adosadas) 1347 mm Fondo de la carcasa (sin piezas adosadas) 895 mm Ancho total de la máquina 799 mm Altura total de la máquina 1350 mm Profundidad total de la máquina 997 ...
Guía rápida Miele PWM 514 Self-Service [EL DV]
























































































































































Resumen
es - Su contribución a la protección del medio ambiente 5 Eliminación del embalaje de transporte El embalaje protege a la lavadora de daños durante el transporte. Losmateriales del embalaje se han seleccionado siguiendo criterios eco-lógicos y en función de su posterior tratamiento en plantas de rec...
es - Advertencias e indicaciones de seguridad 6 Documentación ampliada Este documento contiene información básica. Encontrará el manualde instrucciones de manejo completo y documentación actual relati-va a su aparato, en el sitio web de Miele: https://www.miele.es/professional/inactivem-manual-de-in...
es - Advertencias e indicaciones de seguridad 7 Aplicación adecuada Esta lavadora ha sido diseñada exclusivamente para lavar tejidos que hayan sido etiquetados por el fabricante como aptos para el la-vado a máquina. Cualquier otro tipo de utilización podría ser peligro-so. El fabricante no se hace...
es - Advertencias e indicaciones de seguridad 8 Uso erróneo previsible Nunca utilice productos de limpieza que contengan disolventes (p. ej., bencina) en la lavadora. Los componentes del aparato puedenresultar dañados y emitir vapores tóxicos. ¡Existe riesgo de incendio y de explosión! Cuando la...
es - Advertencias e indicaciones de seguridad 9 Seguridad técnica Compruebe que la lavadora no presenta ningún tipo de daño en el exterior antes de su emplazamiento. Una lavadora dañada no se de-be emplazar ni poner en funcionamiento. La seguridad eléctrica de esta lavadora solo quedará garantiz...
es - Advertencias e indicaciones de seguridad 11 Uso apropiado La capacidad de carga máxima es de 12 kg de ropa seca para la PW 912, de 16 kg para la PWM 916 y de 20 kg para la PW 920. En elcapítulo «Relación de programas» encontrará las cantidades de cargareducidas para cada programa. Retire lo...
es - Advertencias e indicaciones de seguridad 13 El cloro y los daños en los componentes Con el uso cada vez mayor de cloro aumenta la probabilidad de dañar los componentes. El uso de productos que contienen cloro como, por ejemplo, el hi- poclorito sódico y lejías de cloro en polvo puede dañar ...
es - Advertencias e indicaciones de seguridad 14 Accesorios Los accesorios pueden acoplarse o montarse solo si están expre- samente autorizados por Miele. El montaje de piezas no autorizadasinvalidará todo derecho de garantía. Reciclaje de apa-ratos inservibles Inutilice el cierre de la puerta c...
es - Descripción de la máquina (con cajetín de detergente) 15 Variantes con cajetín de detergente (WEK) ⑪ ⑥ ⑦ ⑧ ⑨ ⑩ ⑫ ① ② ③ ④ ⑤ ⑧ ⑬ ⑮ ⑭ ⑯ ⑰ ⑱ a Display Véase el capítulo «Funcionamiento de loselementos de manejo» b Interruptor de parada de emergencia véase el capítulo «Funcionamiento de loselementos...
es - Descripción de la máquina (con cajetín de detergente) 16 Variantes de aparato sin cajetín de detergente (WEK) ① ② ③ ④ ⑤ ⑥ ⑦ ⑧ ⑨ ⑩⑪ ⑦ ⑫ ⑭ ⑬ ⑮ ⑯ ⑰ a Display Véase el capítulo «Funcionamiento de loselementos de manejo» b Interruptor de parada de emergencia véase el capítulo «Funcionamiento de lose...
es - Manejo 17 Panel de mandos a Tecla sensora Idioma Para seleccionar el idioma delusuario actual.Tras finalizar el programa se vi-sualiza de nuevo el idioma deusuario. b Tecla sensora Atrás Regresa al nivel anterior delmenú. c Display Touch d Tecla sensora Start/Stop Inicia el programa de ...
es - Manejo 18 Teclas sensoras y display Touch con teclas sensoras Las teclas sensoras , y Start/Stop , así como las teclas sen- soras del display, reaccionan al tocarlas con los dedos. Cada pulsa-ción se confirma con un sonido de tecla. Puede cambiar o desconec-tar el volumen del sonido del tec...
es - Manejo 20 OK 12:00 3 4 2 1 5 6 7 8 0 9 Hora En cuanto haya introducido un valor válido, la tecla OK aparece mar- cada en verde. Menú desplegable En el menú desplegable es posible visualizar más información, p. ej.,sobre un programa de lavado. 11:02 2:27 Ropade color Estado T. resta...
es - Manejo 21 Manejo de la variante de lavandería En función del estado de programación, el menú de acceso puedemostrarse de diferentes formas (véase el capítulo «Nivel de usuario»,apartado «Manejo»). El manejo simplificado se realiza a través de la selección directa. Losusuarios no pueden modifica...
es - Preparación del lavado 22 Vaciar los bolsillos Vacíe todos los bolsillos. Daños producidos por objetos extraños. Los cuerpos extraños como clavos, monedas o clips pueden dañarlas prendas o la máquina.Revise las prendas antes de lavarlas y retire los posibles cuerposextraños. Capacidad de ca...
es - Preparación del lavado 23 Cargar la lavadora Conecte la lavadora con la tecla . Abra la puerta tirando del tirador. Coloque la ropa desdoblada y suelta en el tambor. Las prendas dedistinto tamaño mejoran el resultado del lavado y se distribuyenmejor durante el centrifugado. En el caso d...
es - Seleccionar un programa 24 Conectar la lavadora Pulse la tecla . Seleccionar un programa 11:02 Programas Favoritos Operario Ayuda Existen varias opciones para seleccionar un programa. Puede seleccionar un programa en el menú Programas . Pulse la tecla sensora Programas . 11:02 ...
es - Seleccionar los ajustes del programa 25 Seleccionar la carga En algunos programas se puede especificar la carga para permitiruna dosificación externa en función de la carga. Pulse la tecla sensora Peso . Introduzca un valor válido para la cantidad de carga. El display cambia al menú Vista ...
es - Lavado con cajetín de detergente 26 Introducción de detergente a través del cajetín En el caso de los programas estándar se introduce detergente enpolvo para el lavado principal en la bandeja de admisión de deter-gente y, si se desea, detergente para el prelavado en la bandeja de admisión ...
es - Lavado con cajetín de detergente 27 Blanqueadores Blanquee únicamente tejidos que estén marcados con el símbolo decuidados Δ . La adición de blanqueadores líquidos solo se puede llevar a cabo enuna bandeja de admisión específica para tal fin. Solo así se garantizaque el producto se incorpora c...
es - Iniciar un programa – Fin del programa 28 Iniciar un programa La tecla sensora Start/Stop parpadea en cuanto es posible iniciar un programa. Pulse la tecla sensora Start/Stop . La puerta se bloquea (símbolo ) y comienza el programa de lavado. Si se ha seleccionado una Preselección de inicio...
es - Instalación 29 Emplazamiento de la lavadora Únicamente podrá emplazar y poner en marcha la lavadora el Ser-vicio Post-venta de Miele o un distribuidor autorizado. Respete lasindicaciones del esquema de instalación. Esta lavadora solo es apta para lavar ropa que no esté impregnadacon sustancias ...
es - Instalación 30 Simplificación del mantenimiento No se deberán sobrepasar las medidas mínimas ni la distancia a lapared con acceso a fin de facilitar al Servicio Post-venta los trabajosposteriores de mantenimiento. Mantenga las medidas mínimas indicadas y la distancia a la pared. Distancia mín...
es - Instalación 31 Seguro de transporte Retire los seguros de transporte Cada uno de los dos seguros de transporte delanteros está fijado contres tornillos hexagonales. El seguro de transporte trasero está fijadocon cuatro tornillos hexagonales. Los seguros de transporte debenretirarse en el lugar ...
es - Instalación 32 Desenroscar los tornillos situados en el borde inferior de la paredposterior y retirar esta última. Suelte los tornillos hexagonales para desmontar los seguros detransporte. Conserve los seguros de transporte. Estos deberán volver a mon-tarse antes de transportar la máquina. ...
es - Instalación 34 Desagüe Desagüe AV de la máquina DN 70, manguito del lugar de instalación DN 70. Caudal a corto plazo 200 l/min.Si la pendiente de desagüe es demasiado inclinada, se deberá colo-car un tubo de ventilación para que no se pueda producir el vacío enel sistema de desagüe de la lavad...
es - Datos técnicos 35 Datos del aparato PWM 514 Conexión eléctrica Tensión nominal ver placa de características Frecuencia ver placa de características Consumo de potencia ver placa de características Consumo de corriente ver placa de características Fusible necesario ver placa de características P...
es - Datos técnicos 36 Datos del aparato PWM 520 Conexión eléctrica Tensión nominal ver placa de características Frecuencia ver placa de características Consumo de potencia ver placa de características Consumo de corriente ver placa de características Fusible necesario ver placa de características P...
es - Datos técnicos 37 Declaración de conformidad de la UE Por la presente, Miele declara que esta lavadora cumple con los requisitos de la directivaeuropea 2014/53/EU.En el siguiente link encontrará el texto completo de la declaración de conformidad euro-pea: - En www.miele.de/professional/index.ht...
es - Protección de datos de la WiFi 38 Protección de datos y seguridad de los datos En cuanto se activa la función de conexión en red y su aparato se haconectado a Internet, este envía los siguientes datos a la nube deMiele: - Número de fabricación del aparato - Modelo de aparato y equipamiento técn...
Other Miele Otros Manuals
-
Miele APWM 063 Manual de instalación
-
Miele UO 811-30 Manual de instalación
-
Miele UO 413-30 Manual de instalación
-
Miele UO 814-25 Manual de instalación
-
Miele UO 818/418-25 Manual de instalación
-
Miele APWM 020 Manual de uso
-
Miele APWM 020 Manual de instalación
-
Miele SC Manual de instalación
-
Miele PR Manual de instalación
-
Miele FP 900 Manual de instalación
-
Miele RP 900 Manual de instalación
-
Miele APWM 019 Manual de uso
-
Miele APWM 019 Manual de instalación
-
Miele PR 900 Manual de instalación
-
Miele A 830/1 Manual de uso
-
Miele TT 86 Manual de uso
-
Miele RP 1150 Manual de instalación
-
Miele UG 5010 Manual de instalación
-
Miele UO 5010 Manual de instalación
-
Miele APCL 001 Manual de instalación