Miele PWM 906 [EL DP MAR 3 AC 400-480V 50-60Hz] - Instrucciones

Miele PWM 906 [EL DP MAR 3 AC 400-480V 50-60Hz] - Manual de instalación en formato PDF en línea
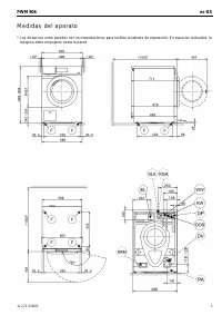
Instrucciones:
Manual de instalación Miele PWM 906 [EL DP MAR 3 AC 400-480V 50-60Hz]
1

2

3

4

5

6

7

8

9

10

11

12

13

Other Miele Otros Manuals
-
Miele APWM 063 Manual de instalación
-
Miele UO 811-30 Manual de instalación
-
Miele UO 413-30 Manual de instalación
-
Miele UO 814-25 Manual de instalación
-
Miele UO 818/418-25 Manual de instalación
-
Miele APWM 020 Manual de uso
-
Miele APWM 020 Manual de instalación
-
Miele SC Manual de instalación
-
Miele PR Manual de instalación
-
Miele FP 900 Manual de instalación
-
Miele RP 900 Manual de instalación
-
Miele APWM 019 Manual de uso
-
Miele APWM 019 Manual de instalación
-
Miele PR 900 Manual de instalación
-
Miele A 830/1 Manual de uso
-
Miele TT 86 Manual de uso
-
Miele RP 1150 Manual de instalación
-
Miele UG 5010 Manual de instalación
-
Miele UO 5010 Manual de instalación
-
Miele APCL 001 Manual de instalación