Miele PWM 907 [EL DP] - Instrucciones

Miele PWM 907 [EL DP] - Manual de uso, Manual de instalación en formato PDF en línea
Instrucciones:
Manual de uso Miele PWM 907 [EL DP]








































































































Resumen
Contenido 2 Su contribución a la protección del medio ambiente ........................................... 6 Advertencias e indicaciones de seguridad .............................................................. 7 Manejo de la lavadora ..................................................................
Contenido 3 Limpiar el tambor, la cuba y el sistema de desagüe .................................................. 56 Limpiar la junta anular .................................................................................................... 56 Limpiar los filtros de entrada de agua ...................
Contenido 4 Manejo/indicación ......................................................................................................... 85 Idioma......................................................................................................................... 85 Acceso a idioma .................
Su contribución a la protección del medio ambiente 6 Eliminación del embalaje El embalaje se utiliza para la manipula-ción y protege el aparato de los dañosde transporte. Los materiales de emba-laje se seleccionan en función de aspec-tos compatibles con el medio ambientey de su eliminación y, por lo...
Advertencias e indicaciones de seguridad 7 Esta lavadora cumple todas las normas de seguridad vigentes. Noobstante, el manejo indebido del aparato puede provocar lesionespersonales y daños materiales.Lea las instrucciones de manejo con atención antes de poner enfuncionamiento la lavadora. Contienen ...
Advertencias e indicaciones de seguridad 8 El uso de la lavadora por parte de niños mayores de 8 años sin su- pervisión está permitido solamente si se les ha explicado el manejode la máquina de tal forma que puedan utilizarla de forma segura. Losniños deben poder reconocer y comprender los posible...
Advertencias e indicaciones de seguridad 10 En caso de que se opte por una conexión fija, será necesaria una desconexión para todos los polos en el lugar de la instalación accesi-ble en todo momento para desconectar la lavadora del suministro dered. Esta lavadora está equipada, debido a requisit...
Advertencias e indicaciones de seguridad 12 Evite el contacto de agentes de limpieza y desinfección que con- tengan cloro líquido o hipoclorito de sodio con las superficies de ace-ro inoxidable (frontal, tapa, revestimiento). La acción de estos agen-tes puede causar corrosión en el acero inoxidabl...
Advertencias e indicaciones de seguridad 13 Accesorios Los accesorios solo se pueden ampliar o montar con la autoriza- ción expresa de Miele. Si se utilizan o instalan otros componentes noautorizados se pierde todo derecho de garantía. Las secadoras y lavadoras Miele se pueden instalar en forma ...
Manejo de la lavadora 14 Panel de mandos a Tecla sensora Idioma Para seleccionar el idioma de opera-dor actual.Tras finalizar el programa se visualizade nuevo el idioma de usuario. b Tecla sensora Atrás Regresa al nivel anterior del menú. c Display Touch d Tecla sensora Start/Stop Inicia el progra...
Manejo de la lavadora 15 Teclas sensoras y display Touchcon teclas sensoras Las teclas sensoras , y Start/ Stop , así como las teclas sensoras del display, reaccionan al tocarlas con losdedos. Cada pulsación se confirma conun sonido de tecla. El volumen del soni-do del teclado se puede cambiar o...
Manejo de la lavadora 16 Menú Extras (selección múltiple) 11:02 Prelavado Remojo Aclarado plus Intensivo Extras OK Para seleccionarlos, toque uno o más Extras . Los Extras seleccionados actualmente aparecen marcados en color naranja.Para eliminar la selección de un Extra , toque el Extra d...
Manejo de la lavadora 17 Menú desplegable En el menú desplegable es posible vi-sualizar más información, p. ej., sobreun programa de lavado. 11:02 Ropa de color Estado T. restante h 2:27 Lavado Añadir prendas Si aparece una barra naranja en la partesuperior de la pantalla en el centro deldi...
Primera puesta en funcionamiento 18 Daños por un emplazamiento y una conexión incorrectos.Pueden ocasionarse daños materia-les importantes a causa de un empla-zamiento y conexión incorrectos de lalavadora.Tenga en cuenta el capítulo «Instala-ción». Vaciar el tambor En el tambor puede encontrarse u...
Primera puesta en funcionamiento 19 Indicación sobre aparatos ex-ternos Aparece una indicación sobre hardwareexterno. Confirme con la tecla OK . Conecte la XCI-Box o el adaptador oinserte un módulo de comunicación enel hueco para módulos antes de la pri-mera puesta en funcionamiento. Paraello, la ...
Primera puesta en funcionamiento 20 Ajustar la hora OK 12 00 10 58 14 02 Hora 11 59 13 01 Coloque el dedo sobre el número quedesea modificar y muévalo en la di-rección deseada. Confirme con la tecla OK . El display cambia al ajuste siguiente. Seleccionar paquetes de pro-gramas Puede selec...
Primera puesta en funcionamiento 21 Configurar el aparato recauda-dor Si desea configurar el aparato recauda-dor, lea el capítulo «Nivel de usuario»,apartado «Sistema de cobro».Estos ajustes únicamente pueden reali-zarse en la primera puesta en funciona-miento. Solicite información al ServicioPost-v...
Primera puesta en funcionamiento 22 Retirar el seguro de transporte El display recuerda que se debe retirarel seguro de transporte. Daños producidos por no retirar el seguro de transporte.No retirar el seguro de transportepuede producir daños en la lavadoray en los muebles/aparatos colindan-tes.Re...
1. Preparar la ropa 23 Vaciar los bolsillos Vacíe los bolsillos de la ropa. Daños producidos por objetos extraños.Los cuerpos extraños como clavos,monedas o clips pueden dañar lasprendas o la máquina.Revise las prendas antes de lavarlas yretire los posibles cuerpos extraños. Clasificar la ropa ...
2. Cargar la lavadora 24 Abrir la puerta Introduzca la mano en el hueco deagarre y tire del asa. Compruebe que no hay cuerpos ex-traños en el tambor antes de introdu-cir la ropa. Coloque la ropa desdoblada y sueltaen el tambor. Las prendas de distinto tamaño mejoranel resultado del lavado y se d...
3. Seleccionar programa 25 Conectar la lavadora Pulse la tecla . Se conecta la iluminación del tambor. La iluminación del tambor se apaga au-tomáticamente transcurridos cinco mi-nutos o después del inicio del progra-ma. Seleccionar un programa 11:02 Programas Favoritos Operario Ayuda Exi...
4. Seleccionar los ajustes del programa 26 Seleccionar la carga En algunos programas se puede espe-cificar la carga para permitir una dosifi-cación externa dependiente de la car-ga. Pulse la tecla sensora Peso . Introduzca un valor válido para la can-tidad de carga. El display cambia al menú Vis...
5. Dosificar el detergente 27 La lavadora le ofrece diferentes posibili-dades a la hora de añadir el detergente. Cajetín del detergente Puede utilizar cualquier detergente quesea apto para lavadoras. Dosificación del detergente Observe las recomendaciones de dosifi-cación del fabricante del detergen...
5. Dosificar el detergente 28 Suavizante o apresto por separado Seleccione el programa Aclarado ex- tra . En caso necesario, modifique el nú-mero de revoluciones del centrifuga-do. Añada el suavizante, el apresto o el al-midón líquido en el compartimento . Tenga en cuenta la altura máxima de...
5. Dosificar el detergente 29 Dosificación en cápsulas Existen cápsulas con tres tipos diferen-tes de contenido: = Productos para el cuidado de las prendas (p. ej., suavizante,producto para la impermeabili-zación) = Aditivo (p. ej., potenciador de detergente) = Detergente (solo para el lava- d...
5. Dosificar el detergente 30 Presione firmemente la cápsula. Cierre la tapa y presiónela firmemen-te. Cierre el cajetín del detergente. Al colocar una cápsula en el cajetínde detergente, esta se abre. Si lacápsula se retira sin haber sido utili-zada, su contenido podría derramar-se.Elimine la...
6. Iniciar un programa - Fin del programa 31 Aparato recaudador Si hay disponible un aparato recauda-dor, tenga en cuenta la solicitud de pagoen el display. No cancele el programa una vez inicia-do. Dependiendo de la configuración,es posible perder el importe en el apa-rato recaudador. Iniciar un pr...
Timer 32 El Timer le permite seleccionar el tiem-po que queda hasta el inicio, la hora deinicio o el final del programa. Ajustar el Timer Pulse la tecla sensora Timer . Seleccione la opción Fin a las , Inicio en o Inicio a las . Ajuste las horas y los minutos y con-firme con la tecla OK . Mo...
Relación de programas 33 Paquetes de programas Puede seleccionar distintos programas de los paquetes de programas. Los progra-mas se muestran en la lista de programas. Programas estándar Blanca resistente de 65 °C a 90 °C máx. 7,0 kg Artículo Tejidos de algodón o lino, p. ej., ropa de cama, ropa par...
Relación de programas 34 Exprés frío hasta 60 °C máximo 3,5 kg Artículo Tejidos de algodón que apenas hayan sido usados o con muy pocasuciedad 1400 r. p. m. Extras: Aclarado plus Aclarados: 1 Lana frío hasta 40 °C máximo 2,5 kg Artículo Prendas de lana lavable y mezclas de lana Consejo Utilizar dete...
Relación de programas 35 Vaqueros de 30 °C a 60 °C máximo 3,5 kg Artículo Camisas, blusas, pantalones, chaquetas de tela vaquera Consejo - Lave las prendas vaqueras del revés. - A menudo, las prendas vaqueras destiñen ligeramente al lavarse por primera vez, por ello lave las prendas claras y oscuras...
Relación de programas 36 Almidonado frío hasta 40 °C máximo 3,5 kg Artículo Manteles, servilletas, ropa de trabajo para almidonar Consejo - Las prendas deben estar recién lavadas, pero sin suavizante. - En caso de tejidos que se arruguen con facilidad, tener en cuenta el número de revoluciones del c...
Relación de programas 37 DeporteMicrofibra de 30 °C a 60 °C máx. 3,0 kg Artículo Prendas de deporte como camisetas, pantalones y ropa interiorfuncional de microfibra Consejo - No utilice suavizante. - Observe las indicaciones del fabricante referentes al cuidado de las prendas. 800 r.p.m. Extras: Ac...
Relación de programas 38 Outdoor Plumas de 30 °C a 60 °C máximo 1 artículo Artículo Chaquetas outdoor, sacos de dormir y otras prendas con rellenode plumón Consejo - Observe las indicaciones del fabricante referentes al cuidado de las prendas. - No utilice suavizante. - Elimine el aire antes de lava...
Relación de programas 39 Peluquerías/Estética Toallas frío hasta 40 °C máximo 5,5 kg Artículo Ropa de rizo de algodón poco sucia Consejo Utilizar detergente para ropa de color para las prendas de coloresoscuros. 1400 r. p. m. Aclarados: 2 Toallas plus de 40 °C a 80 °C máximo 5,5 kg Artículo Ropa de ...
Relación de programas 42 Colchas de 40 °C a 75 °C máximo 3,5 kg Artículo Mantas de material sintético o lana, p. ej., colchas Consejo Programa de lavado suave para mantas con rellenos delicados. 800 r. p. m. Extras: Preaclarado, Stop aclarado Aclarados: 3 * 1 almohada (80 x 80 cm) o 2 almohadas (40 ...
Relación de programas 43 Desinfección RKI Des. RKI 85 °C / 15 min máximo 7,0 kg Artículo Tejidos de algodón, lino o tejidos mixtos Consejo - Desinfección térmica a 85 °C con un tiempo de parada de 15 mi- nutos. - Proceso de desinfección de baño único. - Sin entrada de agua a través del compartimen...
Relación de programas 44 Des. RKI 40 °C / 20 min máximo 7,0 kg Artículo Tejidos de algodón o tejidos mixtos, clasificados por color, aptospara la desinfección. Consejo - Desinfección termoquímica a 40 °C con un tiempo de parada de 20 minutos. - Proceso de desinfección de baño único - Utilice un de...
Relación de programas 45 Desinfección I Desinfección 85 °C / 15 min máximo 7,0 kg Artículo Tejidos de algodón, lino o tejidos mixtos Consejo - Desinfección térmica a 85 °C con un tiempo de parada de 15 mi- nutos. - Sin entrada de agua a través del compartimento del suavizante. 1400 r. p. m. Extras...
Relación de programas 48 WetCare desinfección 40 °C máximo 4,0 kg Artículo Prendas exteriores no aptas para el lavado, marcadas con el sím-bolo de cuidado Consejo - Los tejidos se lavan y desinfectan (40 °C, 20 min). 1100 r. p. m. Extras: Prelavado Aclarados: 2 WetCare antiséptico de 20 °C a 30 °C...
Relación de programas 49 Programas especiales Puede agrupar individualmente 5 pro-gramas especiales y asignarles nombresde programa de su elección. Introdúzca-los en las tablas.Carga: máximo 7,0 kg Ejemplo: Intensivo plus - Prelavado intensivo - Lavado intensivo a 90 °C - Aclarado 1 - Aclarado 2 - A...
Extras 50 Puede complementar los programascon ayuda de los extras.No todos los extras pueden seleccionar-se para cada programa de lavado. Si nose muestra un extra, no está permitidopara el programa de lavado. Seleccionar extras Pulse la tecla sensora Extras . Seleccione uno o varios de los extra...
Particularidades en el desarrollo del programa 51 Centrifugado Número de revoluciones del centrifu-gado final Al seleccionar un programa, en el dis-play se indica siempre el número máxi-mo de revoluciones del centrifugado pa-ra el programa de lavado.Es posible reducir el número de revolu-ciones del ...
Modificar el desarrollo de un programa 52 Durante el funcionamiento con aparatorecaudador no es posible realizar mo-dificaciones o cancelar el programa. En caso de desconectar la lavadoradurante el programa en curso, la fun-ción Standby no desconecta por com-pleto la lavadora después de 15 minu-tos....
Limpieza y mantenimiento 54 Riesgo de descarga eléctrica de- bido a la tensión de red.Solo deben realizarse trabajos de lim-pieza y mantenimiento en aparatossin corriente.Desconecte la lavadora de la redeléctrica. Limpiar la carcasa y el panel Daños producidos por un pro- ducto para la limpieza....
Limpieza y mantenimiento 55 Limpiar el tubo de aspiración y el canal Extraiga el tubo de aspiración delcompartimento . Limpie el tubo de aspiración bajo elgrifo de agua caliente. Limpie tambiénel tubo por el que se aspira el suavi-zante. Vuelva a colocar el tubo de aspiración. Limpie con agu...
Limpieza y mantenimiento 56 Limpiar el tambor, la cuba y elsistema de desagüe Utilizando regularmente programas delavado con temperaturas a partir de60 °C y detergentes de gran potencia,se evitan posibles gérmenes en la lava-dora. Usar a menudo el programa Limpieza de la máquina , especialmente cuan...
Limpieza y mantenimiento 57 Limpiar los filtros de entrada deagua La lavadora está equipada con filtros pa-ra proteger las válvulas de entrada deagua. Compruebe estos filtros aprox.cada 6 meses. En caso de interrupcio-nes frecuentes en la red de agua, esteintervalo de control puede ser más cor-to. L...
¿Qué hacer si...? 58 La mayor parte de las anomalías que se producen en el día a día las podrá solucio-nar usted mismo. En muchos casos se puede ahorrar tiempo y dinero, ya que evita-rá la intervención del Servicio Post-venta.Las siguientes tablas le ayudarán a encontrar las causas de un fallo o err...
¿Qué hacer si...? 59 Interrupción de un programa y mensaje de anomalía Problema Causa y solución Anomalía en el desa-güe. Limpie el filtrodel desagüe y labomba. Compruebela manguera de de-sagüe El desagüe está bloqueado o no funciona correcta-mente.La manguera de desagüe está demasiado alta. Lim...
¿Qué hacer si...? 60 En el display hay un mensaje de anomalía 1 Problema Causa y solución Recipiente dosifica-dor vacío Uno de los recipientes de detergente para la dosifica-ción externa está vacío. Rellene los recipientes de detergente. Info Higiene: realizarun programa conmín. 60 °C de tem-p...
¿Qué hacer si...? 61 Resultado de lavado insatisfactorio Problema Causa y solución La ropa no queda limpiacon detergente líquido. Los detergentes líquidos no contienen blanqueadores.Las manchas de fruta, café o té no se eliminan. Utilice detergente en polvo con blanqueadores. Introduzca quitaman...
¿Qué hacer si...? 62 Problemas generales con la lavadora Problema Causa y solución La lavadora se muevedurante el centrifugado. Las patas de la máquina no están niveladas a la mismaaltura y no han sido aseguradas. Nivele la máquina de forma estable y asegure las pa-tas con contratuercas. Se percib...
¿Qué hacer si...? 64 No es posible abrir la puerta Problema Causa y solución No es posible abrir lapuerta durante el progra-ma en curso. Durante el transcurso del programa, la puerta estábloqueada. Pulse la tecla sensora Start/Stop . Seleccione Cancelar programa o Añadir ropa . La puerta se desb...
¿Qué hacer si...? 65 Abrir la puerta en caso de desa-güe obstruido y/o fallo de red Riesgo de descarga eléctrica de- bido a la tensión de red.Solo deben realizarse trabajos de lim-pieza y mantenimiento en aparatossin corriente.Desconecte la lavadora de la redeléctrica. Abra la tapa hacia el sist...
¿Qué hacer si...? 66 Limpie el filtro de desagüe Si no sale más agua: Extraiga el filtro completamente. Limpie el filtro de desagüe a fondo. Compruebe si las aletas de la bombade desagüe pueden girarse fácilmen-te. Dado el caso, elimine los cuerpos ex-traños (botones, monedas, etc.) y lim-pi...
Instalación *INSTALLATION* 69 Vista frontal a Manguera de entrada de agua fría b Manguera de entrada de agua calien-te c Conexión eléctrica d Panel de mandos e Cajetín del detergente f Puerta g Tapa para el filtro y la bomba de desa-güe o para la válvula de desagüe y eldesbloqueo de emergencia h Pat...
Instalación *INSTALLATION* 70 Vista posterior a Conexión eléctrica b Interfaz para la comunicación conotros aparatos c Conexión para dosificación externa d Manguera de desagüe (variante LP) e Manguera de entrada de agua (aguafría) f Manguera de entrada de agua (aguacaliente), si está montada g Orifi...
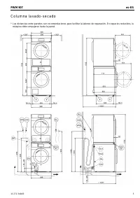
Instalación *INSTALLATION* 71 Situaciones de emplazamiento Vista lateral 1132 850 >1000 714 Columna lavado-secado min. 300 1702 La lavadora se puede instalar como co-lumna lavado-secado con una secadorade Miele. Para ello se requiere un kit deunión (accesorio opcional). No está permitido el emp...
Instalación *INSTALLATION* 73 Superficie de emplazamiento Un suelo de hormigón resulta lo másapropiado como superficie de emplaza-miento. A diferencia de un suelo de ma-dera o de características más inesta-bles, el suelo de hormigón no da lugar aoscilaciones perceptibles durante elcentrifugado. Co...
Instalación *INSTALLATION* 74 Retirar la barra de transporte derecha Presione la tapa hacia fuera y gire labarra de transporte izquierda 90° conla llave de boca adjunta. Extraiga la barra de transporte. Cerrar los orificios Riesgo de sufrir lesiones por los cantos afilados.Al introducir la man...
Instalación *INSTALLATION* 75 Fijar las barras de transporte Fije las barras de transporte en la pa-red posterior de la lavadora. Consejo: Asegúrese de que los orificios encajan sobre los vástagos . Daños por transporte incorrecto. En el caso de transportarla sin segurode transporte, la máqu...
Instalación *INSTALLATION* 76 Nivelar la lavadora La lavadora debe estar nivelada correc-tamente y apoyarse de manera uniformesobre las cuatro patas para garantizar sufuncionamiento perfecto.Un emplazamiento inadecuado aumentael consumo de agua y energía, y la lava-dora podría desplazarse. Desenrosc...
Instalación *INSTALLATION* 77 Estribo de sujeción para zócalo El estribo de sujeción evita que la lava-dora se caiga del zócalo durante su fun-cionamiento. La fijación mediante el estribo de suje-ción solo está pensada para zócalos dehormigón. El zócalo debe ser uniforme yhorizontal. La base del zóc...
Instalación *INSTALLATION* 78 Monte el estribo de sujeción con lostornillos hexagonales y las arandelas. No apriete los tornillos del todo paraque el estribo de sujeción se puedadesplazar. Fijar la lavadora con un estribo de su-jeción Vuelva a desplazar la lavadora sobre elestribo de sujeción mo...
Instalación *INSTALLATION* 79 Conexión de agua Conexión de agua fría La lavadora puede conectarse a unaconducción de agua potable sin una vál-vula antirretorno ya que se ha fabricadosegún las normas DIN vigentes.La presión de flujo debe ser de al menos100 kPa y no debe superar los1.000 kPa. Si la pr...
Instalación *INSTALLATION* 80 Toma de agua caliente* La temperatura del agua caliente no debepasar de los 70 °C.Para que el consumo de energía eléctricadurante el funcionamiento con agua calien-te sea el mínimo posible, debe conectarsela lavadora a una tubería circular de aguacaliente. Las tuberías ...
Instalación *INSTALLATION* 81 Conexión eléctrica La descripción es válida tanto para la-vadoras con clavija de red como paralavadoras sin clavija de red. Para lavadoras con clavija de red se apli-ca: - La lavadora está preparada para la co- nexión. - La accesibilidad de la clavija debe es- tar siemp...
Datos técnicos 82 Altura 850 mm Anchura 596 mm Anchura (para el aparato con tapa de aceroinoxidable) 605 mm Fondo 714 mm Fondo con la puerta abierta 1132 mm Peso aprox. 100 kg Carga máxima del suelo en funcionamiento 3000 newton Capacidad 7,0 kg de ropa seca Tensión nominal véase placa de caracterís...
Datos técnicos 83 Declaración de conformidad Por la presente, Miele declara que esta lavadora cumple con los requisitos de la di-rectiva europea 2014/53/EU. En el siguiente link encontrará el texto completo de la declaración de conformidadeuropea: - productos, descarga, en www.miele.es- Atención al ...
Nivel de usuario 84 Acceder al nivel de usuario Conecte la lavadora. 11:02 Programas Favoritos Operario Ayuda Pulse la tecla sensora Operario . El display cambia al menú Niveles de ma- nejo . Acceso mediante código Para acceder al nivel de usuario es ne-cesario un código. El código es ...
Nivel de usuario 85 Manejo/indicación Idioma El display puede mostrar diferentesidiomas. Puede seleccionar el idiomade usuario establecido a través delsubmenú Idioma. El idioma de operador para un programaen curso se puede cambiar a través dela tecla sensora . Acceso a idioma El display puede most...
Nivel de usuario 86 Hora Una vez seleccionado el formato dehora, es posible ajustar la hora. Formato de hora - Reloj de 24 h (ajuste de fábrica)- Reloj de 12 h- Sin hora Ajustar - Se puede ajustar la hora. Fecha Una vez seleccionado el formato de fe-cha, es posible ajustar la fecha. Formato de fecha...
Nivel de usuario 87 Estado Indic. descon. El display se oscurece para ahorrarenergía. La tecla Start/Stop parpadea lentamente. La modificación de este ajuste produceun mayor consumo de energía. desconectado Sin oscurecimiento. On tras 10 min no pr. actual El display se mantiene conectado du-rante el...
Nivel de usuario 88 Unidad de temperatura Puede seleccionar la unidad en la quese muestran las temperaturas. Ajuste de fábrica: °C/Celsius Unidad de peso Puede seleccionar si las cantidades decarga se muestran en «kg» o en «lb».La indicación también puede desco-nectarse. Ajuste de fábrica: kg Logo P...
Nivel de usuario 90 En su lugar, después de desactivar unprograma se muestra <vacío> . Puede volver a añadir un programa en todomomento. El número de programas favoritos pue-de reducirse hasta 0 «desactivando»todos los programas. En este caso, yano se muestra la selección Favoritos en el m...
Nivel de usuario 91 Prog. por colores Puede asignar un color a un programafavorito. El programa favorito recibe unmarco de color en la lista de progra-mas favoritos, cuyo color se puede se-leccionar. Ajuste de fábrica: conectado Higiene El programa Higiene máquina se mues- tra en la lista de program...
Nivel de usuario 92 Temp. Prelav. B/C En el programa Ropa blanca/de color se puede seleccionar la temperaturapara el prelavado. - 30 °C (ajuste de fábrica)- 35 °C- 40 °C- 45 °C Tiempo lavado Prelavado Ropa blanca/de color En el programa Ropa blanca/de color se puede prolongar el tiempo de lava-do pa...
Nivel de usuario 93 Aclarados B/C En el programa Ropa blanca/de color se puede modificar el número de acla-rados. - 1 aclarado- 2 aclarados (ajuste de fábrica)- 3 aclarados- 4 aclarados- 5 aclarados Aclarados Sint./Mezc. En el programa Sintéticos/Mezcla de algodón se puede modificar el número de acl...
Nivel de usuario 94 Intervalo de servicio En el display se puede mostrar una in-formación de servicio. Se puede ajus-tar una fecha o el número de horas defuncionamiento. Se pueden seleccionar hasta 3 mensa-jes con textos propios.El texto del mensaje que se puede se-leccionar individualmente se muest...
Nivel de usuario 95 Valor de ajuste dosificación 1–6 Para poder reaccionar ante las toleran-cias del sistema de bombas que sur-gen durante el programa, es posiblecorregir la cantidad de dosificación(ml/min) para las bombas. Se puede reducir o aumentar el valor decalibrado en 3 niveles.El valor de ca...
Nivel de usuario 96 Disponibilidad de productos digitalesde Miele El uso de productos digitales de Mieledepende de la disponibilidad del servi-cio en su país.Los distintos servicios no están disponi-bles en todos los países.Para saber más, entre en la página webwww.miele.com. WiFi Controle la conexi...
Nivel de usuario 97 Registro de red Es posible sincronizar la fecha y la horaa través de la red. - Desconectado La fecha y la hora no se sincronizan através de la red. - Como maestro Las máquinas se encuentran en unared sin conexión a Internet. Una má-quina se configura como maestro yenvía los datos...
Nivel de usuario 98 SmartGrid El ajuste SmartGrid solo se visualiza, si hay una red WiFi configurada y activa-da. Con esta función puede iniciar sulavadora automáticamente a la hora ala que la tarifa eléctrica sea más eco-nómica. Si ha activado SmartGrid , la tecla sensora Timer tiene una función nu...
Nivel de usuario 99 Entrada de agua Prelavado Es posible seleccionar el tipo de aguapara el prelavado. - fría En el prelavado solo se utiliza aguafría. - Caliente En el prelavado también se utilizaagua caliente.La entrada de agua caliente solo estápermitida si se ha seleccionado unatemperatura super...
Nivel de usuario 100 Reducción temperatura Para evitar la ebullición anticipada delagua de lavado en altitud, se puede re-ducir la temperatura del agua de lava-do. Ajuste de fábrica: desconectado Presión del agua + baja En caso de una presión de agua infe-rior a 100 kPa (1 bar), se interrumpe elprog...
Nivel de usuario 101 Aparato recaudador Para la conexión a un dispositivo decobro se necesita una unidad acceso-ria XCI-AD o XCI-Box. Solicite información al Servicio Post-venta de Miele en caso de que quierarealizar alguna modificación posterior-mente. Ajustes para aparatos recaudadores Debe conect...
Nivel de usuario 102 Cancelación program. Un programa en curso se puede can-celar a pesar del bloqueo. - On, sin código (ajuste de fábrica) - On, con código (código del ajuste Código Experto ) - Sin cancelación Señal sistema recaudador Ajuste de la señal de aviso del aparatorecaudador. - Ajuste de f...
Manual de instalación Miele PWM 907 [EL DP]












Other Miele Otros Manuals
-
Miele APWM 063 Manual de instalación
-
Miele UO 811-30 Manual de instalación
-
Miele UO 413-30 Manual de instalación
-
Miele UO 814-25 Manual de instalación
-
Miele UO 818/418-25 Manual de instalación
-
Miele APWM 020 Manual de uso
-
Miele APWM 020 Manual de instalación
-
Miele SC Manual de instalación
-
Miele PR Manual de instalación
-
Miele FP 900 Manual de instalación
-
Miele RP 900 Manual de instalación
-
Miele APWM 019 Manual de uso
-
Miele APWM 019 Manual de instalación
-
Miele PR 900 Manual de instalación
-
Miele A 830/1 Manual de uso
-
Miele TT 86 Manual de uso
-
Miele RP 1150 Manual de instalación
-
Miele UG 5010 Manual de instalación
-
Miele UO 5010 Manual de instalación
-
Miele APCL 001 Manual de instalación